SMV 24 Work Boat - Cinema 4d and Photoshop
Supacat Ltd.
HMT 600 Coyote
Supacat Ltd.
HMT Extenda
Supacat Ltd.
HMT 400
Supacat Ltd.
SPV 400/420 HMT 400 - Cinema 4d
Supacat Ltd.
Cinema 4d Sample
Composite image Cinema 4d
Supacat Ltd.
Four Point Harness securing
Supacat Ltd.
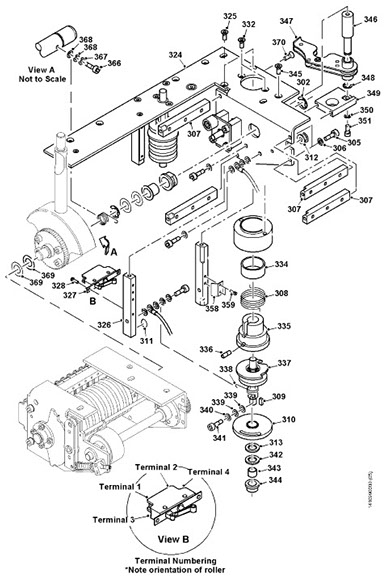
Exploded Isometric
Supacat Ltd.
Deutsch Connector
Supacat Ltd.
Deutsch Connector
Supacat Ltd.
Linework Sample
Boat Engine Room
Boat Wheel Room
Boat Trailer
Radar Sample
Thales
Remove and Replace Document
Horwood Homewares Ltd.
Sandwich / Waffle / Panini Maker
Horwood Homewares Ltd.
Sandwich / Waffle / Panini Maker
Horwood Homewares Ltd.
Soup Maker
Horwood Homewares Ltd.
Steam Iron
Horwood Homewares Ltd.
<
>
Graphic design artist illustration cad linework
technical illustration infographics
Technical Illustration - 3D Visualisation - Compositing - Graphics - User Manuals - Animation
H illustrations Limited 2016